今天是 2025年12月28日 星期日 ,欢迎光临本站  

热点关键词
安徽盛世大唐化工设备集团有限公司

工艺系统

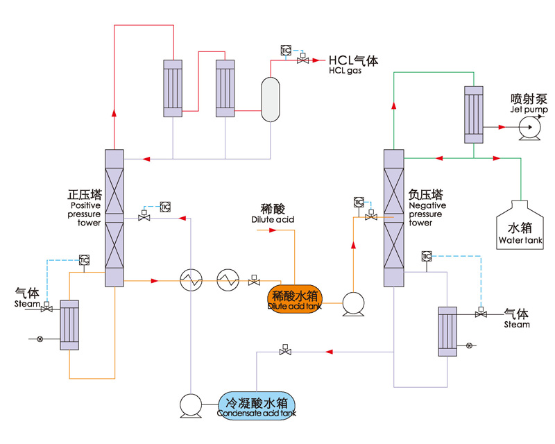
盐酸萃取精馏系统

文字:[大][中][小] 2025-09-16     浏览次数:264    

该系统适用于任意浓度盐酸,通过在酸中加入萃取剂CaCL2,打破化学平衡,萃取精馏出HCL气体,被稀释后的CaCL2进入浓缩系统后再次利用。

如果酸中含有杂质易于萃取剂发生反应,建议用差压蒸馏法,回收HCL气体。


返回上一步
打印此页
0551-64465244
浏览手机站
微信二维码