今天是 2025年12月28日 星期日 ,欢迎光临本站
收藏本站
网站地图
触屏版
浏览手机站
网站首页
公司简介
公司简介
企业文化
厂区实景
使用现场
产品专区
石墨换热器
降膜吸收器
石墨冷凝器
石墨吸收器
石墨合成炉
工艺系统
石墨原材料
服务支持
营销网络
售后服务
代理合作
资讯动态
公司新闻
行业新闻
化工资讯
图文视频
联系我们
联系我们
汇款方式
热点关键词
石墨换热器
网站首页
>
产品专区
>
工艺系统
产品专区
石墨换热器
降膜吸收器
石墨冷凝器
石墨吸收器
石墨合成炉
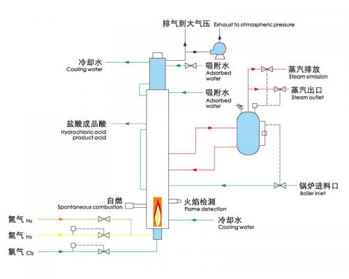
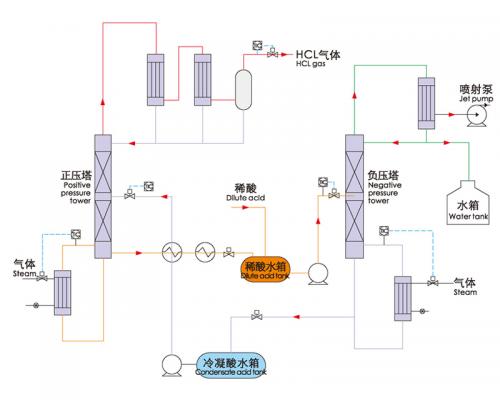
工艺系统
石墨原材料
更多分类
更多
推荐产品
YKC型圆块孔式石墨换热器
盐酸萃取精馏系统
工艺系统
盐酸萃取精馏系统
污酸处理蒸发系统
四合一氯化氢系统
差压蒸馏系统
HCL干燥系统
首页
上一页
1
下一页
尾页
0551-64465244
浏览手机站
微信二维码
[向上]