今天是 2025年12月28日 星期日 ,欢迎光临本站
收藏本站
网站地图
触屏版
浏览手机站
网站首页
公司简介
公司简介
企业文化
厂区实景
使用现场
产品专区
石墨换热器
降膜吸收器
石墨冷凝器
石墨吸收器
石墨合成炉
工艺系统
石墨原材料
服务支持
营销网络
售后服务
代理合作
资讯动态
公司新闻
行业新闻
化工资讯
图文视频
联系我们
联系我们
汇款方式
热点关键词
石墨换热器
网站首页
>
产品专区
>
工艺系统
产品专区
石墨换热器
降膜吸收器
石墨冷凝器
石墨吸收器
石墨合成炉
工艺系统
石墨原材料
更多分类
更多
推荐产品
YKC型圆块孔式石墨换热器
盐酸萃取精馏系统
工艺系统
差压蒸馏系统
文字:
[大]
[中]
[小]
2025-09-16
浏览次数:
101
业务咨询
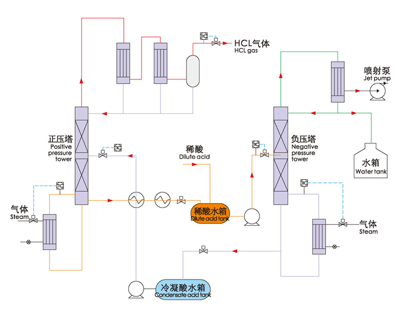
该工艺利用盐酸共沸浓度随压力的变化而变化生产出HCL气体。负压浓缩盐酸正压解吸出HCL气体。但此方法相比萃取法蒸汽耗高,且投资大。
返回上一步
打印此页
上一个:
四合一氯化氢系统
下一个:
HCL干燥系统
0551-64465244
浏览手机站
微信二维码
[向上]