今天是 2025年11月20日 星期四 ,欢迎光临本站
收藏本站
网站地图
触屏版
浏览手机站
网站首页
公司简介
公司简介
企业文化
厂区实景
使用现场
产品专区
石墨换热器
降膜吸收器
石墨冷凝器
石墨吸收器
石墨合成炉
工艺系统
石墨原材料
服务支持
营销网络
售后服务
代理合作
资讯动态
公司新闻
行业新闻
化工资讯
图文视频
联系我们
联系我们
汇款方式
热点关键词
石墨换热器
产品中心
石墨换热器
降膜吸收器
石墨冷凝器
石墨吸收器
石墨合成炉
工艺系统
石墨原材料
更多分类
YKC型圆块孔式石墨换热器
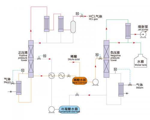
盐酸萃取精馏系统
污酸处理蒸发系统
SL型鼠笼式石墨换热器
LGH型列管式石墨换热器
盐酸萃取精馏系统
YKC型圆块孔式石墨换热器
污酸处理蒸发系统
SL型鼠笼式石墨换热器
关于我们
安徽盛世大唐化工设备集团有限公司-集无泄漏磁力泵、石墨设备和化工耐腐成套装置的研发、生产、销售和服务于一体,生产基地坐落于震惊中外的“皖南事变”发生地、历史悠久的江南名镇——安徽泾县茂林,占地面积4万...
查看详情
视频中心
THF衬氟无泄漏离心泵—视频
TICF无泄漏衬氟磁力泵【视频】
TCA系列无泄漏磁力驱动化工流程泵【视频
【强势来袭】盛世大唐集团官方宣传片正式上...
企业商讯
2025-09-16
石墨换热器的换热效果与结构强度
目前,新型石墨换热器占地面积小,零件通用性好,由柱形不渗透性石墨块、石墨上...
2025-09-16
GH浮头列管式石墨换热器几大设计结构介绍
盛世大唐GH系列浮头列管式石墨换热器,简称浮头列管式换热器,也有叫石墨换热...
2025-09-16
盛世大唐教你如何保养石墨冷凝器的导热能力
在石墨冷凝器导热能力下降的情况下,应停止维护保养,如果石墨冷凝器结垢严重,...
企业名片
我要留言
姓名:
*
电话:
*
友情链接:
0551-64465244
浏览手机站
微信二维码
[向上]